爱游戏·体育

产品展示

面向工业电子制造、通信及信息技术、教育科研、微电子、新能源、生物医药、节能环保等行业和领域的客户,提供增值销售、科技租赁、系统集成、技术服务等一站式综合服务。

产品展示

面向工业电子制造、通信及信息技术、教育科研、微电子、新能源、生物医药、节能环保等行业和领域的客户,提供增值销售、科技租赁、系统集成、技术服务等一站式综合服务。

电池信赖性测试系统Model 17010H

型  号:17010H
名  称:电池信赖性测试系统Model 17010H
品  牌:中茂CHROMA
分  类:电源测试系统 > 电池测试解决方案
简  述:

Chroma 17010H电池芯信赖性测试系统是专为高电流/高功率性能测试而开发的专业充放电测试设备,适合大型锂离子电池芯(Lithiumion Battery Cells,LIB Cells)、电气二重层电容器(Electric Double Layer Capacitors,EDLCs)与锂离子电容器(Lithium-ion Capacitors,LICs)的性能评价、寿命验证与产品选型等用途。

申请服务

产品详情

主要特点:


■高精准度±0.015% of F.S.


■高精确度±0.005% of F.S.


■多电流量程300A/150A/30A


■快速电流响应<1.5mS


■充放电零交越时间


■200%脉冲电流输出功能


■信道并联输出,最高达4800A


■放电能源回收功能(75%)


■高速数据记录(10mS)


■高速单点瞬时数据记录(1mS)


■硬件二级电压保护功能


■可整合多功能记录器与恒温/湿箱


■符合IEC与GB/T测试标准



产品简介:



  17010H采用能源回收电路构架,不同于传统开关式电源设备,具备高测量精准度/精确度、高速电流响应、充放电转换零交越时间、多电流量程等特点,能够帮助电池芯实验提高电容测量试精准度、性能参数辨证以及更拟真的动态电流与功率测试;此外,17010H具备200%脉冲电流输出功能,单通道连续电流为300A,可提供600A的30S脉冲测试电流,有利于功率能力与直流内阻测试此类需要短时间且高倍率测试电流之实验,可节省设备购置成本。


  考察电池芯产品与实验的多样性,17010H提供信道并联功能,弹性并联最大可达连续电流2400A及脉冲电流4800A,大幅提高设备应用性。

  安全性方面,在每个信道额外配备二级电压保护机制,独立测量回路防止单一元件失效时电池过电压,强化实验安全性。此外,也提升了产品维护的设计,将电路单元模块化,能个别快速组装与拆卸,易于维护保养与信道备援。

功能特色


符合测试标准的精准输出能力
车用电池基于国际测试标准进行功率能力测试与行驶模拟来评价电池特性,高倍率电流或功率的测试参数是基于电池操作条件(如BEV、PHEV与HEV)而制定,其输出时间皆在30S以内,为其购置满功率设备成为无形的冗余支出,Chroma 17010H不仅提供200%的脉冲电流与功率输出能力,更能有效降低设备成本与设备空间。


Chroma 17010H将电池芯放电时的电能回馈到交流电网取代负载消耗能量的方式,可降低大量废热产生,实现低碳排的绿能制造,降低配电需求、节省运转电力与空调成本。
放电能量回收到区域电网,回收效率达75%
设备回馈电网电流总谐波失真<5%


高速电流响应<1.5mS / 200%脉冲电流响应<2mS快速电流响应能提供更接近理想的实验条件,在快速变化的动态测试中降低容量累计误差,获得低失真的数据。


不同信道数据的比对性关键在精准度:电池产品经常需要多信道实验来进行比对分析,精准度保障不同信道间的数据基准偏差量,精准度越高则越容易辨识特征差异。


高精确度保障测量的再现性,降低测量造成的数据跳动,对于实验数据的判读有很大帮助


可进行电池芯零电位滥用测试
适用于EDLC测试


定电流模式下自动选择适合电流档位
提供多重电流输出及测量档位,适合应用于同时涵盖大电流及小电流的测试计划。
定电压模式下自动切换适合电流档位
支持在定电压测试模式下自动切换电流档位,且过程中亦不出现任何输出中断,提高电流分辨率使截止判断的一致性更高。


第二道硬件防护降低电压测量失效之风险
大型电池芯在事故时引发的灾害难以预期,为强化实验安全性,在每个信道独立设置了辅助的电压保护测量回路,独立记忆保护参数并自主运作,异常时立即强制关闭输出回路来保障实验安全。


Battery Lab Expert(Battery LEx)是专为电池芯测试所开发的多功能软件平台,综合以下三大特色及多项应用功能。


项目浏览器


测试物数据库:将待测物规格建档,配方编辑时可快速对应参数条件,也便于共享配方测试工况模拟活页夹:以xlsx格式汇入数据点,可设定时间间隔(等间隔/自定义间隔)、输出倍率、数据范围

浏览过程即时参数修改与储存
支持测试计划关键字筛选搜寻
提供xlsx格式转出测试计划

配方编辑器


阶层式编辑构架(测试计划→主配→子配方),可将现有配方透过替换测试物规格直接共享测试、或是透过弹性组合既有子配方来快速建立完整计划,以及创建新配方来满足各类型充放电测试应用。


截止条件:工步截止→电流/电压/功率/能量/容量/时间
配方截止→电流/电压/功率/累积能量/累积容量/时间
外部参数作为截止条件:单一工步最多4组截止设定


特殊设定表示法:C-rate / OCV-SOC / Q% /±V /变数




配方保护功能:电压/电流/温箱温度/能量/容量/电流变化量/电压变化量/定电流转定电压转态时间/定功率转定电压转态时间/二级电压保护


配方执行器


依不同测试计划提供群组式执行管理,群组内所有信道将会同时启动测试及显示即时测况,搭配温箱整合时各信道将自动进行等待机制,直到所有信道达一致条件后才启动温控;当温箱内存在多个群组时,也可透过设定同动模式来实现群组间等待。


单通道与全群组测试即时状态数据显示


支持动态并联设定


多群组启动测试



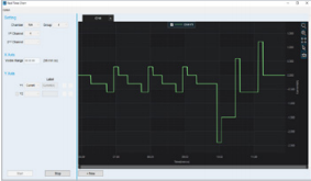
即时图表显示器


测试执行中可显示即时充放电曲线,透过鼠标拖曳可点放大缩小数据与显示数据值,并可弹性提取任一信道及轴线项目。


依据使用者设定取样时间即时绘制,单一画面最多达36,000点数据量


提供即时显示画面最多4组,支持每组画面最多2信道的测试比较


支持时间冻结功能来进行测试曲线储存


提供双Y轴数据显示



测试报表


自动导出:子配方测试完成后依据定义的文件名自动汇至使用者指定路径下


导出模式:子配方自动导出,测试计划手动导出


数据有效位数调整,最多至小数点9位


报表类型:信道报表、工步报表


自由调整报表项目与字段顺序



温箱与测试系统的DI/DO信号控制


三种温箱控制模式:温箱控制工步、即时远端控制、维护模式



延迟时间功能:达设定温度后的静置时间设定,确保内部待测物温度与温箱温度更接近一致


二度调温设定:搭配温度记录器可在温箱达到设定温度后,依据待测物实际温度进行差异调整,准确地让温箱与待测物温度达一致


测试结束后温箱动作:结束控温、调整为指定温度、维持温度


双重温箱保护控制:过温保护、温控逾时保护


提供三色灯信号控制、继电器信号控制


 


管理


开源软件帐户管理,可设定多组登入帐号密码及其对应编辑权限


设定e-mail来提供异常告警信息


测试计划汇入/导出/移转















全国服务热线:

0755-89484966

服务时间:

工作日 9:00-17:30

公司地址:广东省深圳市龙华区中梅路光浩国际大厦A 座25E

友情链接: |||||||||||||
Copyright◎2021-2030 caspianfruit.com All Rights Reserved.